
12일 이상헌 하이투자증권 연구원은 “호텔롯데가 상장되면 ‘일본 롯데 계열사’라는 비난을 피할 수 있을 뿐만 아니라 신동빈 롯데그룹 회장이 지배구조 개선을 주도하면서 한국 롯데에 대한 지배력을 강화할 명분도 얻을 수 있을 것”이라고 말했다.
신동빈 롯데그룹 회장은 전일 대국민 사과문을 발표하고 호텔롯데를 상장하고, 416개에 달하는 순환출자고리도 연내 80% 이상 해소하겠다고 밝혔다.
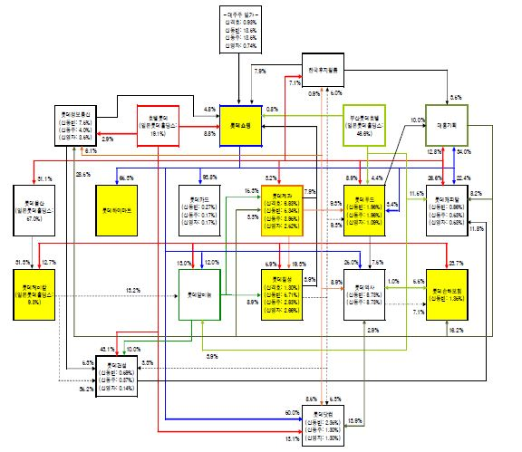
지배구조 개편 양 축 호텔롯데·롯데쇼핑
이 연구원은 “지배구조 개편의 핵심은 호텔롯데와 롯데쇼핑이 될 것”이라며 언급했다.
호텔롯데는 롯데그룹 지배구조의 큰 축으로 일본 계열사가 100% 지분을 보유하면서 실질적인 지주회사 역할을 하고 있다. 롯데쇼핑은 호텔롯데 및 2세들의 지배하에 있으며 롯데그룹의 주요 회사들을 거느리고 있다.
실질적인 지주회사 역할을 하고 있는 호텔롯데가 상장한 후 주요 계열사 지분을 보유하고 있는 롯데쇼핑과 합병-지주사 분할을 거칠 것이란 예상도 나왔다.
김동양 NH투자증권 연구원은 “호텔롯데가 단독 지주사로 올라설 경우 지배구조 최상단 및 대주주 일가의 간접지분이 높은 장점이있지만 자회사 지분 확보 비용이 든다”며 “호텔롯데와 롯데쇼핑, 롯데제과 등을 연계한(인적분할 및 지주회사 합병) 지주회사 체제는 과정은 복잡하지만 비용발생은 최소화할 수 있다”고 설명했다.

▲롯데그룹 지배구조 (자료: 각 사 사업보고서 및 공시, 하이투자증권)
호텔롯데 상장…일본순환출자 고리 해소할까
이 연구원은 신 회장이 호텔롯데의 상장을 통해 일본순환출자 고리를 해소할 수 있는 자금을 마련할 것으로 봤다.
그는 “롯데그룹은 호텔롯데의 상장으로 순환출자 고리를 해소할 수 있는 자금을 마련할 것“이라며 ”호텔롯데의 순자산가액 등을 고려할 때 상당부문의 자금을 조달할 수 있을 것“으로 기대했다.
이어 그는 “호텔롯데와 롯데쇼핑이 주요 회사들을 거느리고 있기 때문에 나중에 두 회사의 합병을 염두에 두면서 순환출자 고리를 해소할 가능성이 높다”고 진단했다.
이 연구원은 “궁극적으로는 두 회사의 합병 이후 지주회사로 전환하기 위해 지주부문과 사업부문으로 인적분할 할 가능성이 크다“며 ”롯데카드, 롯데캐피탈, 롯데손해보험 등 금융 계열사들은 중간금융지주회사 도입 법안에 따라서 그 행보가 달라 질 수 있을 것“이라고 전했다.
롯데쇼핑과 롯데제과, 롯데칠성 등도 수혜가 예상된다.
이 연구원은 “롯데쇼핑의 경우 그동안 지배구조 개편과는 무관하게 주가가 움직이면서 PBR이 낮게 형성됐지만 이번 지배구조 개편의 핵심회사로서의 위치 및 자회사 가치 등이 부각될 수 있다“고 전망했다.
그는 “롯데쇼핑 뿐만 아니라 롯데제과 및 롯데칠성 등도 순환출자 해소 과정에서 계열사 매각 가능성 등이 있어 긍정적”이라고 덧붙였다.
[저작권자ⓒ 토요경제. 무단전재-재배포 금지]




































